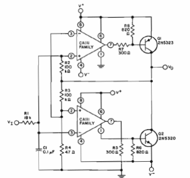
Este amplificador conmutado o PWM fue obtenido en una documentación técnica de la RCA de 1972, utilizando comparadores con FET. Los transistores de salida de potencia pueden ser sustituidos por equivalentes modernos como los TIP31 / 32 o BD135 / 136 para tensiones en el rango de 5 a 12 V, con alimentación simétrica.




