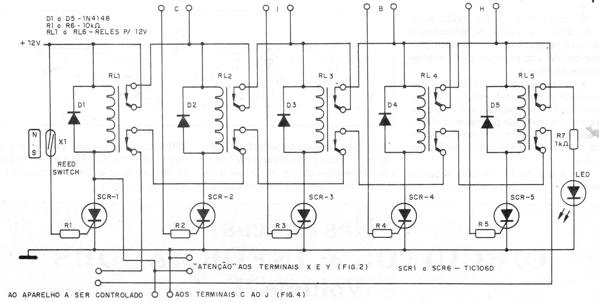
El accionamiento de cada SCR acciona el relé correspondiente en una secuencia tal que un relé sólo puede ser conectado si el anterior es accionado. Se pueden colocar los botones de accionamiento en un teclado con la programación de la contraseña que en este caso tiene 5 dígitos para el accionamiento inicial por un imán. Los relés son de 12 V. El circuito es de una publicación de 1993.




