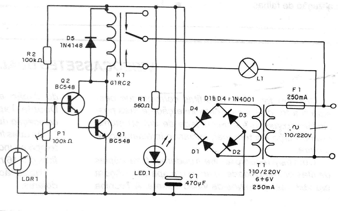
Este circuito fue encontrado en una publicación de 1992. Lo que hace es encender una lámpara externa cuando se oscurece. El ajuste del punto de disparo se realiza en un potenciómetro o trimpot y el sensor es un LDR común. Los componentes usados todavía son comunes en nuestros días.




