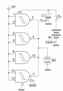
Con este circuito se pueden detectar cables de energía por la simple aproximación de PP. PP es una antena o un pedazo de hilo. BZ es una cápsula piezoeléctrica de teléfono. El circuito tiene un consumo muy bajo que puede ser alimentado por pilas o batería. Este detector salió en el libro Science Fair Projects de Newton C. Braga.




