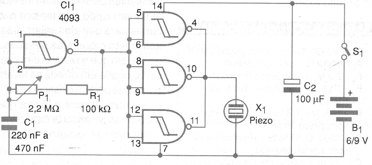
En la figura tenemos un circuito que produce pulsos intervalados, reproducidos en el transductor piezoeléctrico. La frecuencia de los pulsos se ajusta en P1 y depende básicamente de C1. El lector puede cambiar a voluntad el valor de C1. El transductor debe ser del tipo piezoeléctrico de alta impedancia. Para los tipos de baja impedancia o altavoz tenemos el siguiente circuito (metrónomo 2). La alimentación se puede realizar con tensiones de 6 a 12 V obtenidas de pilas, batería o fuente. El consumo es bajo, lo que garantiza una buena durabilidad para las pilas o la batería.




