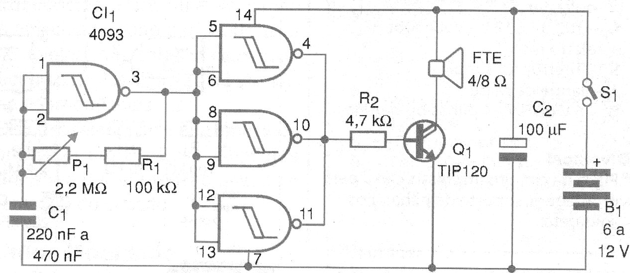
El circuito mostrado en la figura es una versión de alta potencia para un metrónomo, excitando un altavoz común. Con alimentación de 12 V podemos tener buen volumen con altavoz de 10 cm. El transistor debe estar dotado de un radiador de calor. Observamos que, con 9 o 12 V el consumo del aparato es algo elevado, siendo recomendado el uso de fuente con al menos 1 A de corriente. El ajuste de la frecuencia se realiza en P1 y C1 puede cambiarse según el rango de frecuencias que se va a producir




