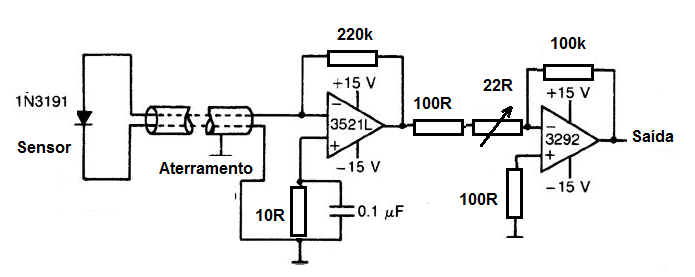
Este circuito utiliza un diodo de gran superficie para detectar radiación (partículas alfa y beta, además de rayos gamma). El circuito tiene bajo consumo y puede ser alimentado por batería. La salida se puede aplicar a un auricular de alta impedancia, un amplificador o un circuito integrador. Los amplificadores operativos equivalentes al original pueden ser experimentados, así como otros tipos de diodos sensores.




