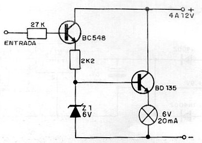
Este circuito simple detecta el nivel de una señal lógica. Para tensiones debajo de la lámpara se encender con un brillo en la presencia de las señales. Se pueden utilizar lámparas indicadoras como también LEDs siempre que se añada un resistor de 330 ohms a 1 k en serie, según la tensión de alimentación. El zener indica el límite de la tensión en la base del transistor para la conducción.




