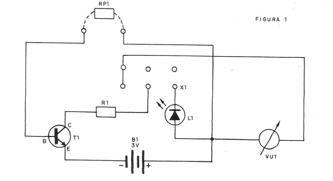
Este circuito de prueba de componentes simple fue encontrado en una documentación de 1987. El instrumento utilizado es un VU-meter un microamperímetro de 200 uA y también hay un LED. En el montaje, se debe observar la polaridad del LED y del instrumento.




