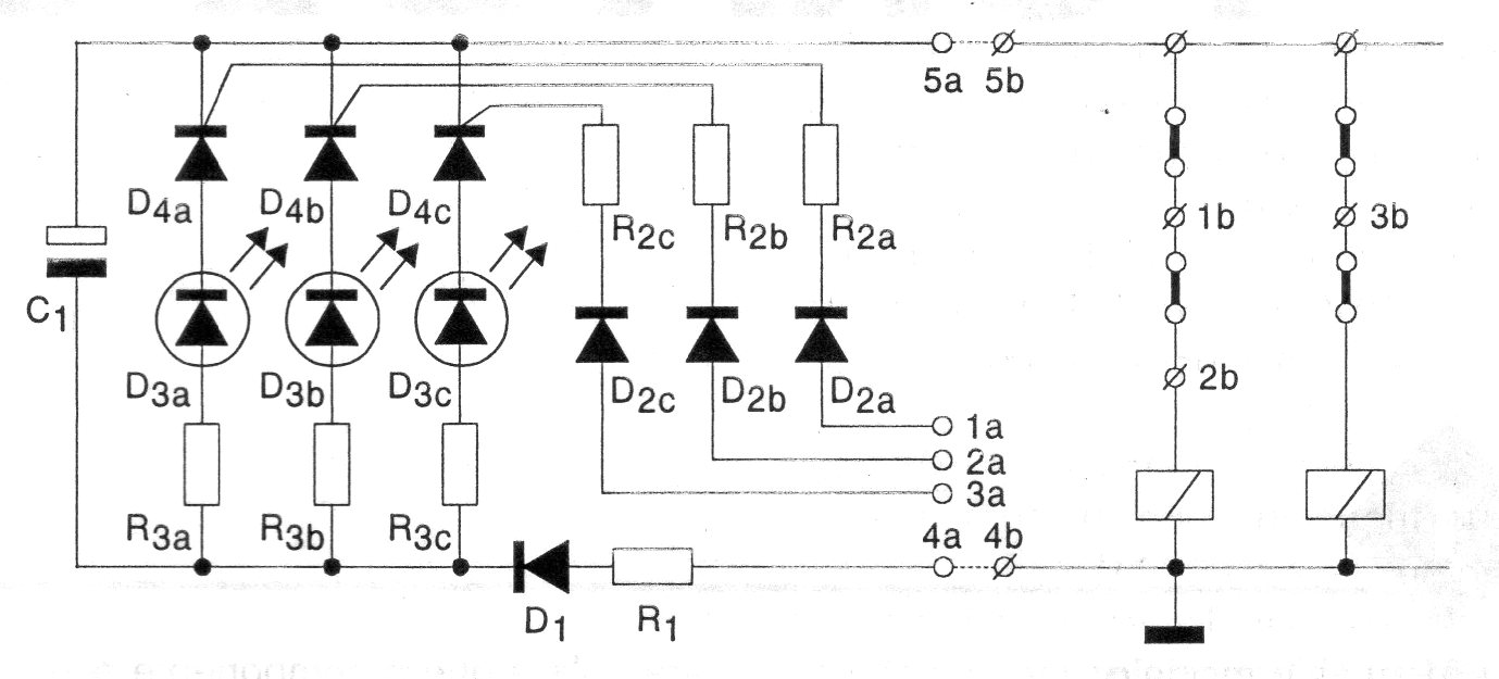
Este circuito fue desarrollado para encontrar defectos intermitentes en un mando eléctrico. En el caso del defecto el circuito dispara indicando el momento del ocurrido.
La frecuencia de este oscilador, que se encuentra en el manual de referencia de transistores de 1960,...
Con este circuito es posible transformar su amplificador en un receptor AM común, con excelente calidad...
El circuito mostrado en la figura 1 genera una señal rectangular de baja frecuencia, pero cuyas...