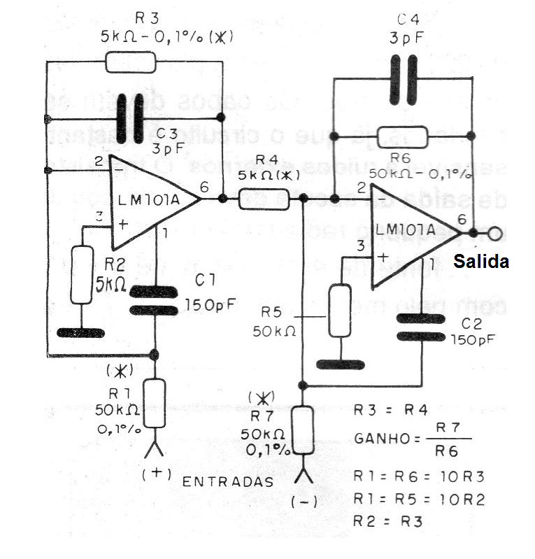
Este circuito debe ser alimentado por una fuente simétrica y presenta una elevadísima impedancia de entrada. El circuito es de una documentación de 1992 y amplificadores operacionales equivalentes se pueden utilizar. Nunca utilice fuente sin transformador.




