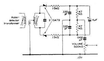
Este circuito es de un antiguo manual de transistores de Mullard. Los diodos son de germanio y la bobina sintonizada en la frecuencia del FI de vídeo del receptor analógico antiguo.

Este circuito es de un antiguo manual de transistores de Mullard. Los diodos son de germanio y la bobina sintonizada en la frecuencia del FI de vídeo del receptor analógico antiguo.
