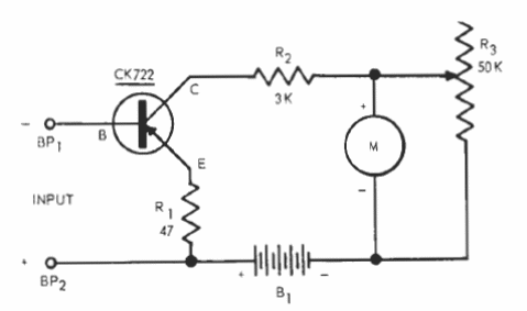
Este amplificador, para miliamperímetros de 0 a 1 mA fue encontrado en una publicación de Raytheon de 1957. El circuito se puede montar con transistores más modernos y R3 puede ser de 47k. El transistor es el CK722.

Este amplificador, para miliamperímetros de 0 a 1 mA fue encontrado en una publicación de Raytheon de 1957. El circuito se puede montar con transistores más modernos y R3 puede ser de 47k. El transistor es el CK722.
