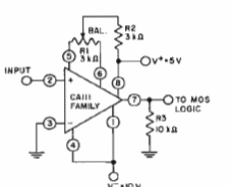
Este Zero Crossing Detector fue encontrado en un manual de la RCA de 1972, pero puede ser elaborado sobre la base de cualquier comparador de tensión más moderno. El circuito puede excitar directamente lógica CMOS. La fuente de alimentación debe ser simétrica.




