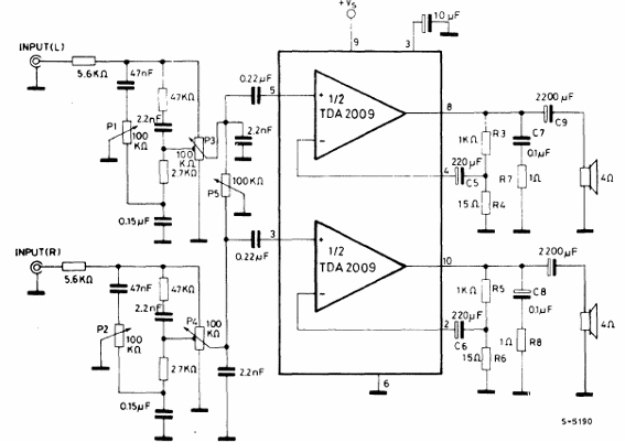
Además del control de tono, este circuito del manual de circuitos integrados lineales de la SGS de 1982, tiene un control de audibilidad (loudness). La alimentación debe realizarse con tensión de 24 V.

Además del control de tono, este circuito del manual de circuitos integrados lineales de la SGS de 1982, tiene un control de audibilidad (loudness). La alimentación debe realizarse con tensión de 24 V.
