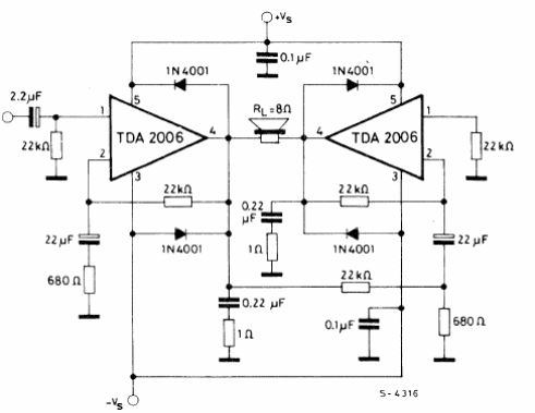
La fuente de alimentación de este circuito debe ser simétrica de 12 + 12 V y la carga debe ser de 8 ohms. El circuito es del manual de circuitos integrados lineales de la SGS de 1982.

La fuente de alimentación de este circuito debe ser simétrica de 12 + 12 V y la carga debe ser de 8 ohms. El circuito es del manual de circuitos integrados lineales de la SGS de 1982.
