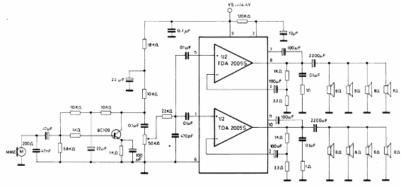
Este amplificador tiene su uso recomendado para ser instalados en bus para ser utilizado con un micrófono, por ejemplo, en bus de turismo. El circuito es del manual de circuitos integrados lineales de la SGS y en la configuración se utilizan 8 altavoces de 8 ohms.




