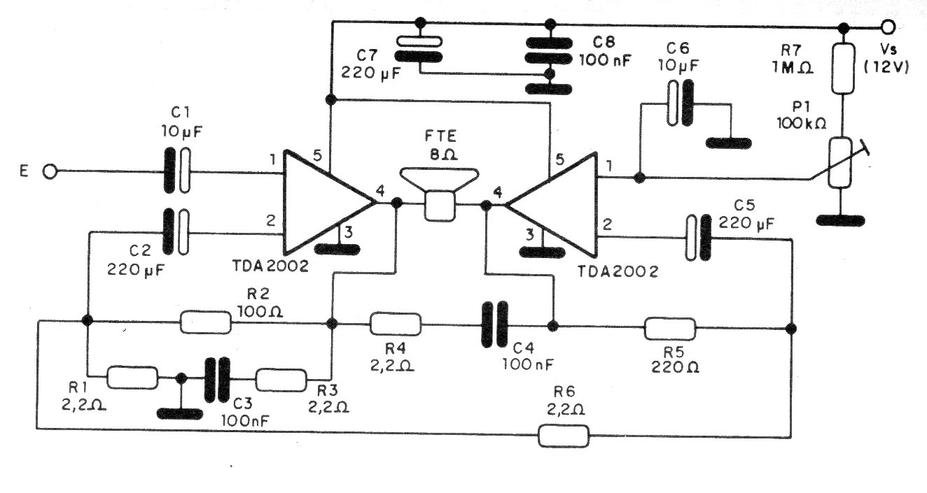
Este amplificador proporciona hasta 15 W de salida cuando es alimentado por una fuente simple de 12 V. El circuito integrado debe estar dotado de un excelente disipador de calor.
La frecuencia de este oscilador, que se encuentra en el manual de referencia de transistores de 1960,...
Con este circuito es posible transformar su amplificador en un receptor AM común, con excelente calidad...
El circuito mostrado en la figura 1 genera una señal rectangular de baja frecuencia, pero cuyas...