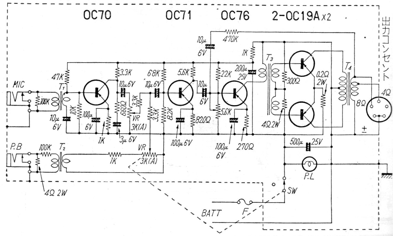
Este amplificador comercial utiliza transistores de germanio de la época. Se encontró en una publicación japonesa de los años 60 y se alimentó con una batería de corriente de al menos 2 A. El circuito tiene entrada para micrófono y otra fuente de señal, como un tocadiscos.




