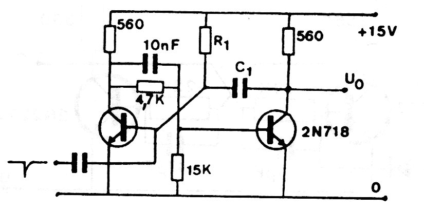
Los transistores equivalentes, como los BC548, se pueden utilizar en este circuito que encontramos en una documentación de los años 80. Los tiempos de salida son dados por el condensador C1. El capacitor de entrada depende de las características del reloj, pudiendo asumir valores entre 10 nF y 470 nF típicamente.




