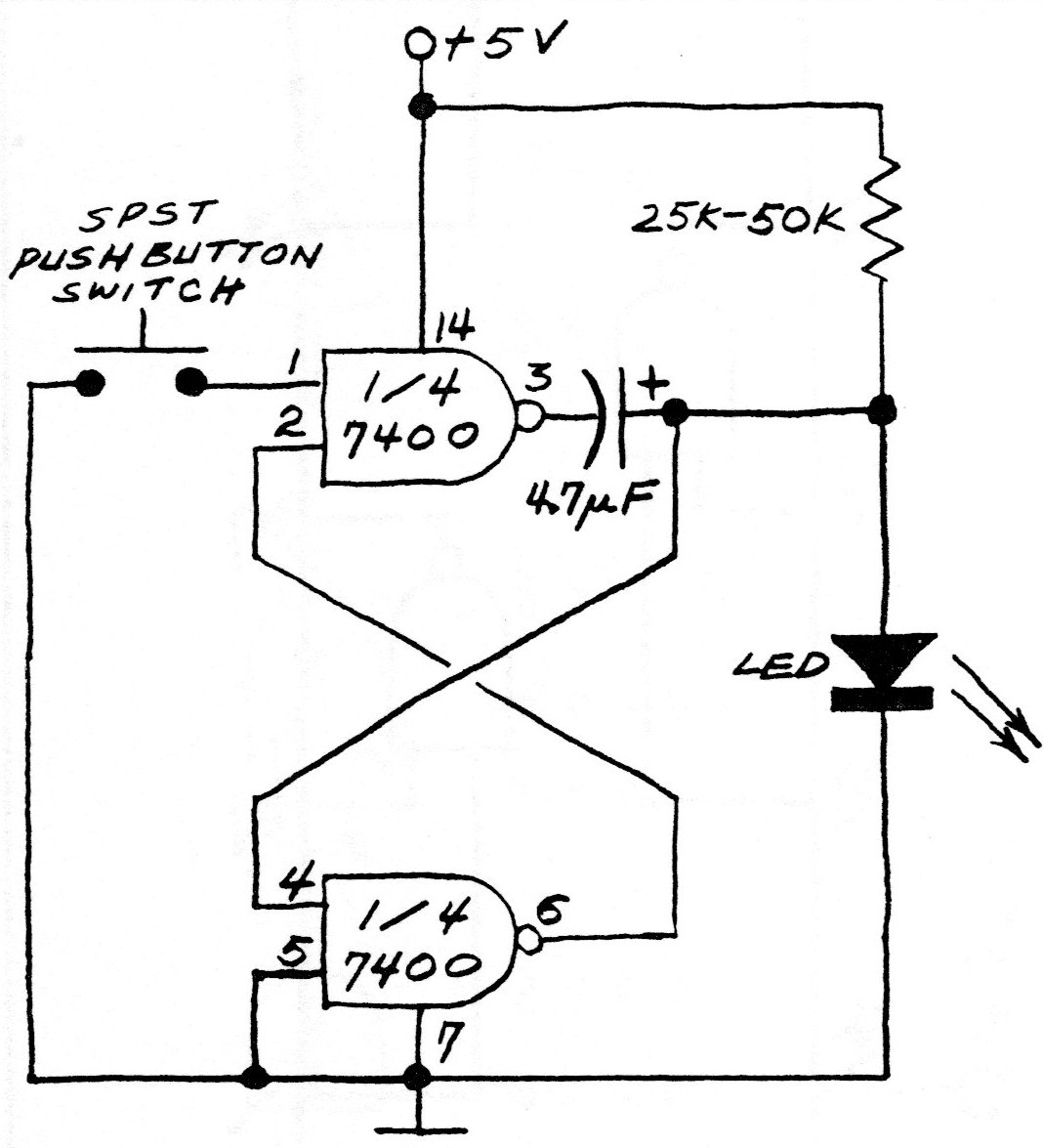
En la figura tenemos el modo de obtener una acción monoestable encendiendo un LED por un determinado tiempo a partir de un comando de entrada. El circuito debe ser alimentado con 5 V y el tiempo de encendido depende del valor del capacitor.
Este circuito utiliza los flip-flops del circuito anterior para implementar un contador binario de 3...
Este circuito fue encontrado en una edición de 1987 de la revista Hands On Electronics de Estados...
Este circuito de detector de paso por cero o cero crossing detector produce un pulso de salida cada...