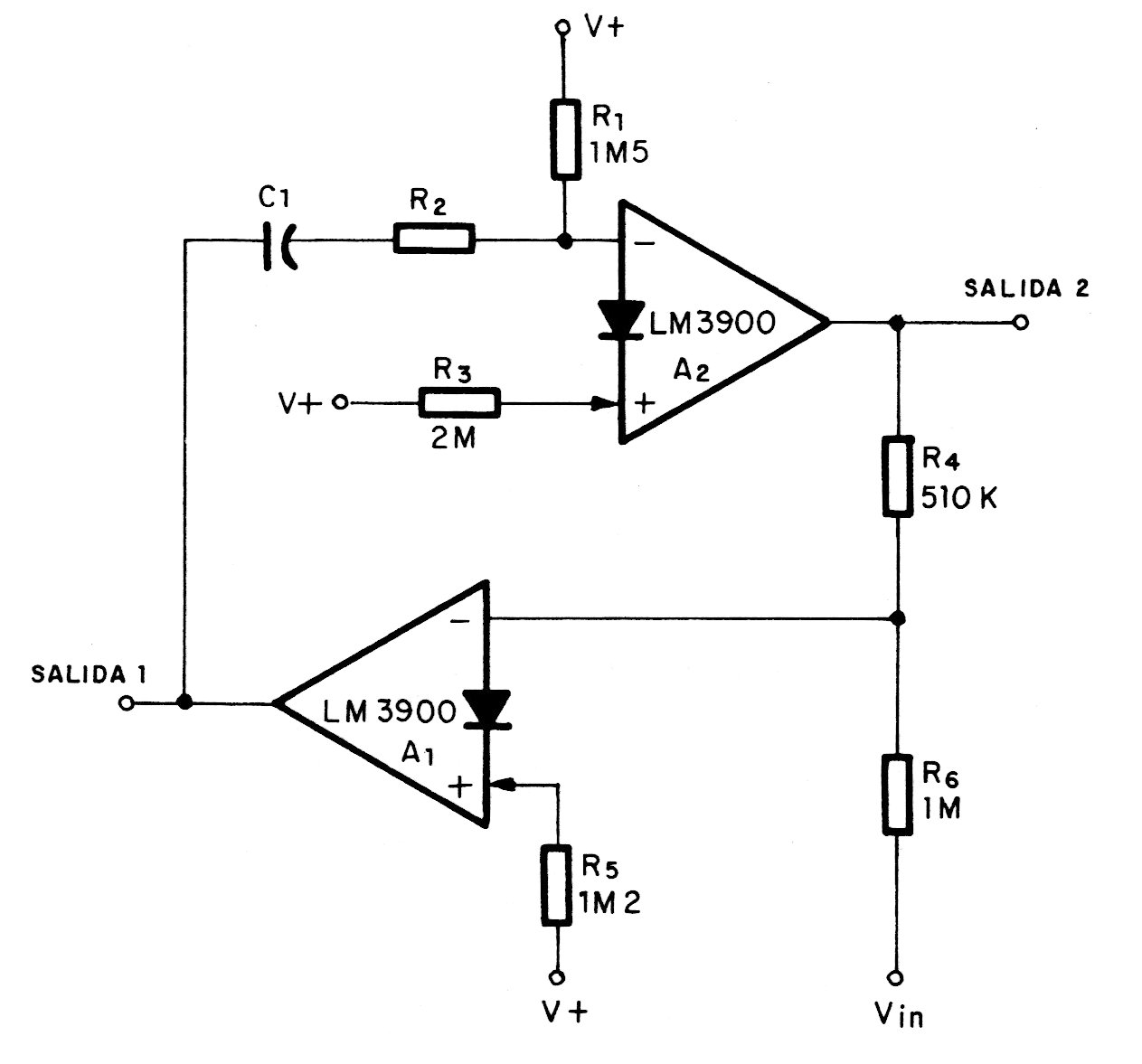
Este circuito consiste en un multivibrador monoestable utilizando el amplificador operacional de transconductancia LM3900. El circuito es de una documentación antigua sobre operativas y la constante de tiempo es dada por C1 y R2. La alimentación debe ser hecha por una fuente simétrica.




