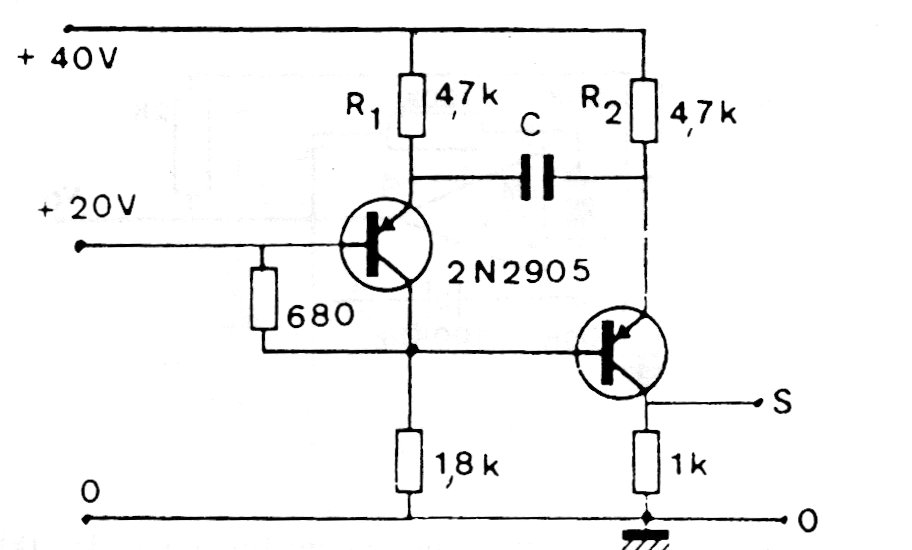
Este multivibrador asequible tiene un acoplamiento por emisor entre los transistores. El circuito es de una documentación de los años 80 y los transistores pueden ser los BC548. El período puede calcularse por T = 0,69RC. La alimentación debe ser hecha por dos tensiones, algo elevadas para este tipo de circuito.




