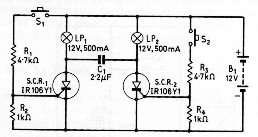
En lugar de las lámparas se pueden utilizar LEDs con resistores apropiados en este circuito obtenido en una documentación técnica sobre SCRs de 1977. Los SCRs pueden ser equivalentes de la serie 106 y la alimentación también puede tener otras tensiones si se utilizan LED. El condensador debe ser de tipo despolarizado.




