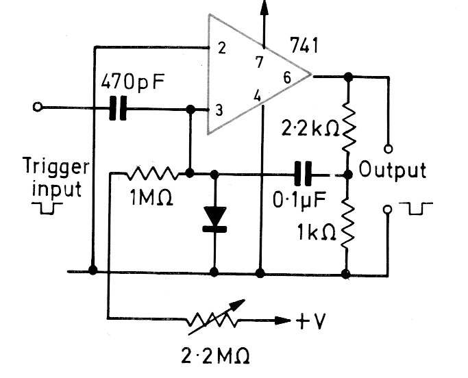
En realidad, esta configuración básica con operacional se aplica a otros tipos además del 741. El circuito no requiere fuente simétrica y el tiempo en que la salida permanece en el nivel alto depende del capacitor. El circuito fue encontrado en una antigua documentación europea. La alimentación positiva se puede realizar con tensiones de 6 a 12 V.




