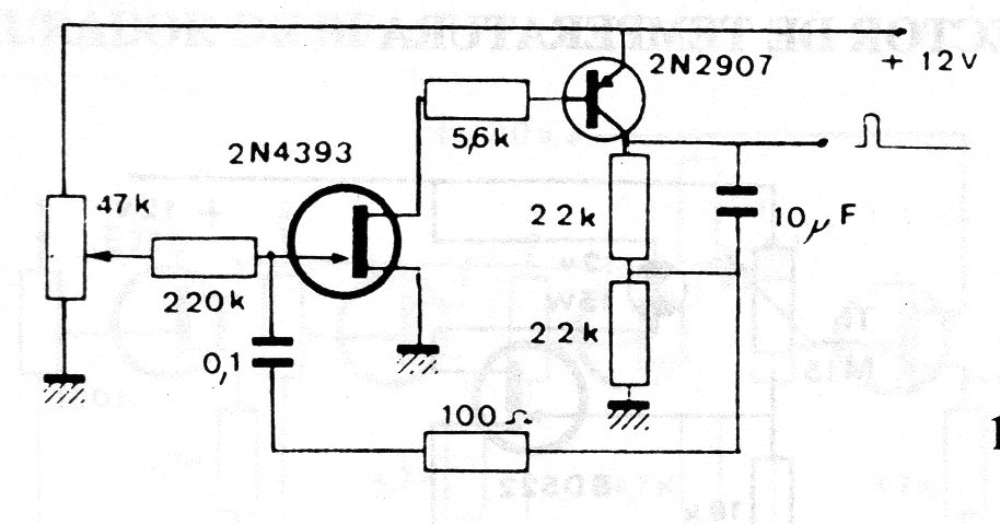
Encontramos este circuito en una documentación francesa antigua. La frecuencia depende de los capacitores. El circuito genera pulsos cuya separación se puede ajustar en el potenciómetro. La alimentación puede quedar entre 9 y 15 V típicamente, y los FET admite equivalente como el BF245.




