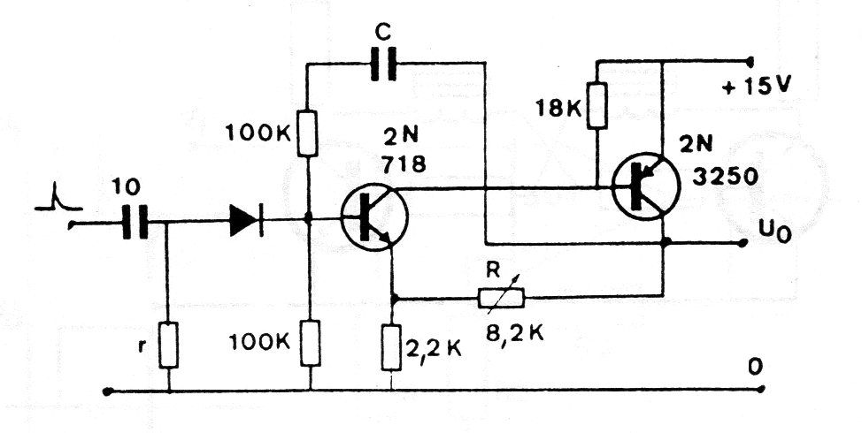
Este circuito se puede utilizar como shield de control para microcontroladores de todo tipo. La alimentación se realiza con tensión de 15 V, pero el pulso de entrada puede estar en el rango de 5 a 15 V lo que permite su uso con las salidas de microcontroladores. La duración del pulso de salida es dada por C que puede tener valores de 100 nF a 10 uF típicamente. Los transistores pueden ser los 2N2222.




