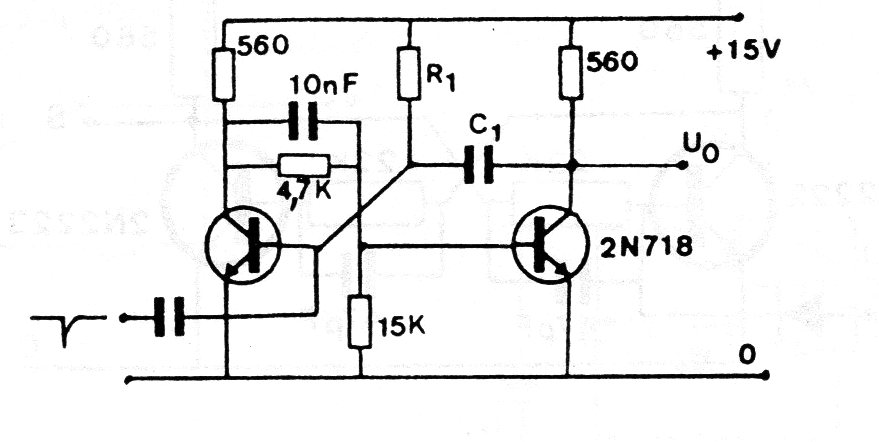
Este circuito se dispara con pulsos negativos y el valor de C depende de su intensidad. C1 determina la duración del pulso de salida. Los transistores pueden ser los 2N2222 o 2N2218 e incluso otros de uso general. Dependiendo del transistor, la alimentación se puede hacer con tensiones menores.




