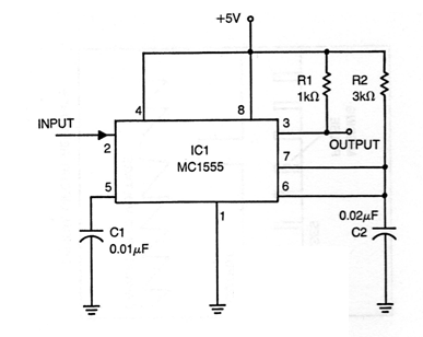
Esta configuración tradicional de monoestable es de una documentación de Motterola de los años 70. El circuito integrado es la versión Motorola de la época, pudiendo ser sustituida por el convencional 555 actual. El circuito puede ser alimentado por tensiones de 5 a 15 V y la entrada de disparo es hecha por la transición negativa de la señal. No es conveniente dejar esta entrada de disparo abierta. Se recomienda un resistor pull-up de 1k a 100k. El tiempo de la señal de salida es dado por la constante de tiempo R2 / C2.




