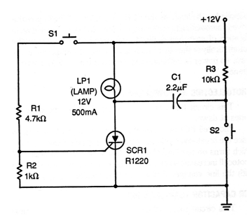
Este circuito enciende y apaga una lámpara de 12 V a través del toque momentáneo en dos interruptores. El circuito es de una antigua publicación de los años 70, pero puede ser implementado con un SCR moderno como el TIC106. El circuito también funcionará con otras tensiones, recordando siempre la caída de 2 V en el SCR en conducción. Dependiendo de la sensibilidad del SCR puede ser necesario cambiar C1.




