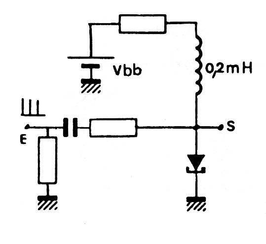
Este circuito monoestable tiene su tiempo determinado por el condensador. La tensión de alimentación es del orden de 1,5 V y el circuito puede generar señales de duración extremadamente corta.

Este circuito monoestable tiene su tiempo determinado por el condensador. La tensión de alimentación es del orden de 1,5 V y el circuito puede generar señales de duración extremadamente corta.
