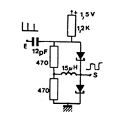
Las señales rectangulares de una duración extremadamente pequeña se pueden generar con este circuito. La tensión de alimentación es del orden de 1,5 V y la tasa máxima de repetición de las señales depende de las características del diodo túnel utilizado.




