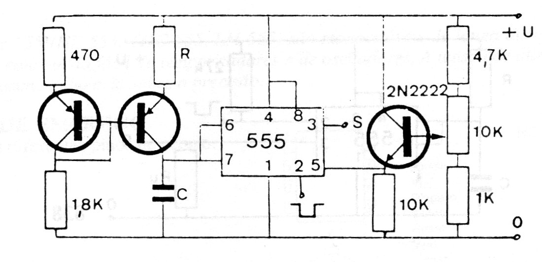
Este circuito es una variación del anterior (CIR4322S) con un recurso que permite la carga constante del condensador. De esta forma la tensión en C sube linealmente durante el proceso de carga en la operación monoestable. La tensión puede oscilar entre 5 y 15 V. Como l anterior, se puede utilizar como shield.




