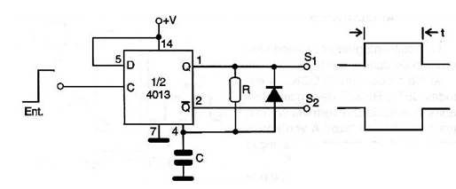
Damos en la figura una aplicación diferente del 4013, que también puede ser usado como monoestable. En los multivibradores monoestables comunes existe una retroalimentación interna que determina el final del pulso producido cuando entonces ocurre la conmutación. La conexión de la salida Q a una resistencia que carga un capacitor C hace que el RESET sea retardado, obteniéndose con ello un comportamiento monoestable.




