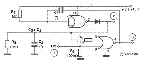
En la figura tenemos un circuito que dispara a partir de un pulso positivo de corta duración aplicado a su entrada.

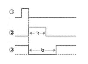
Las formas de onda obtenidas en este circuito, determinadas por los capacitores C1 y C2 se muestran en la figura siguiente.

Observe que la transición de las salidas ya ocurre en el flanco positivo de la señal de entrada. Los valores mínimos sugeridos para C1 y C2 son del orden de 1 nF.



