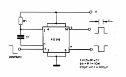
Los tiempos de las señales de salida en función de R1 y C1 son dados por las fórmulas junto al diagrama. Este circuito se dispara en la transición negativa de la señal de entrada y puede ser alimentado por tensiones entre 3 y 12 V típicamente. Las salidas son complementarias con el mismo tiempo de duración. El circuito puede ser utilizado como Shield de entrada para microcontroladores, evitando el problema de repiques de sensores o llaves.




