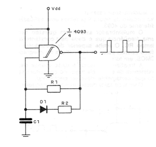
Con el uso de un diodo adicional y de un resistor se puede obtener la configuración de la figura donde la forma de onda de salida es asimétrica. La relación de valores entre R1 y R2 determina el grado de asimetría, o la relación marca / espacio del multivibrador y su frecuencia en conjunto es dada por estos resistores y por C1. También en este caso la forma de onda obtenida en la salida es rectangular, asimétrica y los límites de frecuencia son determinados por los componentes. El diodo D1 puede ser de cualquier tipo de uso general, o de conmutación, para las frecuencias más altas.




