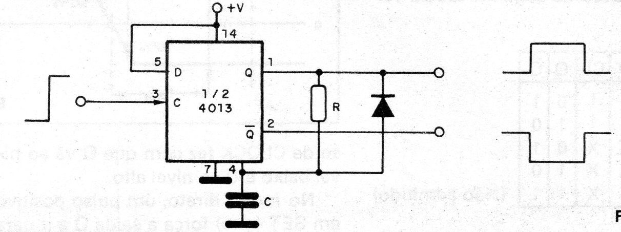
Damos ahora una aplicación diferente del 4013 que también se puede utilizar como monoestable. En los monoestables comunes existe una retroalimentación interna que determina el final del pulso cuando entonces ocurre la conmutación La conexión de la salida Q a una resistencia que carga un condensador C permite que se retarde el Reset hasta el punto deseado, obteniéndose entonces una acción monoestable.




