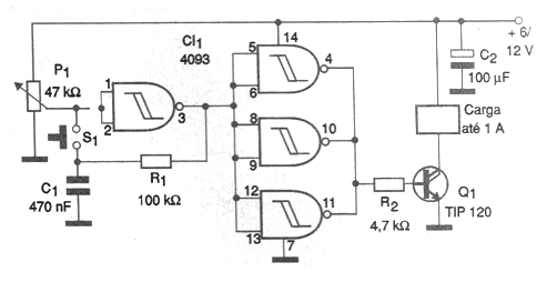
Además de la finalidad didáctica, el circuito de la figura también puede ser en automatismos. El interruptor de presión S1 puede, en este caso, ser sustituido por un sensor tipo reed, un micro-switch o un interruptor de péndulo. El ajuste del punto de disparo se debe hacer en R1 para obtener el mejor rendimiento del circuito. En el caso, el circuito se utiliza para tomar directamente una carga de hasta 1 A. Esta carga puede ser un relé, solenoide, motor o incluso un elemento de calentamiento. El tipo de carga a ser accionado determinará la tensión de alimentación del circuito, que puede quedar entre 6 y 12 V.




