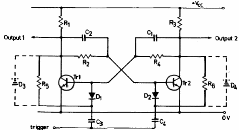
La velocidad máxima de conmutación de este circuito es de 200 kHz sin los diodos y 400 kHz con los diodos. El circuito es sugerido por el manual de transistores de Ferranti de 1974. Los transistores equivalentes modernos como los de la serie BC pueden ser utilizados.





