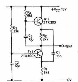
Esta configuración, que genera una señal de 9 kHz, fue encontrada en un manual de aplicaciones de transistores de Ferranti de 1974. Los condensadores pueden ser alterados para generar señales de otras frecuencias y los transistores pueden ser equivalentes como los BC548.




