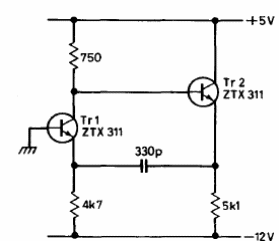
Este circuito genera una señal de 1232 Hz. Encontramos esta configuración en un manual de aplicaciones de Ferranti de 1974. Los transistores pueden ser los BC548.

Este circuito genera una señal de 1232 Hz. Encontramos esta configuración en un manual de aplicaciones de Ferranti de 1974. Los transistores pueden ser los BC548.
