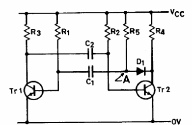
Este circuito fue sugerido por un manual de aplicaciones de Ferranti de 1974. El circuito puede ser montado con transistores equivalentes como el BC548 y oscila en 1 066 Hz.

R1, R2 15 kohms
R3 1 kohms
R4, R5 2,2 kohms
C1, C2 0.047 uF
TR1, TR2 ZTX300
D1 ZS140
Vcc = 5 V



