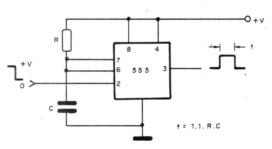
En esta configuración mostrada al ser disparado por una transición del nivel alto al nivel bajo en el pino 2, el 555 mantiene su salida en el nivel alto por un tiempo dado en la fórmula junto al diagrama básico de la figura. Este tiempo que depende de R y C puede alcanzar hasta más de 1 hora desde que el capacitor usado no tenga fugas apreciables. R no debe tener un valor inferior a 1 k ohms, y los tiempos se pueden determinar mejor con la ayuda de la figura. Para 10 M ohms y 100 nF, por ejemplo obtenemos un tiempo de segundo y con 10 nF obtenemos 0,1 segundos.





