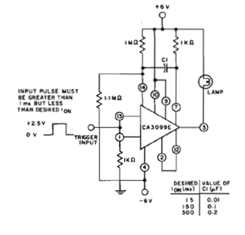
El circuito integrado utilizado en esta configuración consiste en un comparador de tensión antiguo. Fue encontrado en un manual de la RCA de 1972, pero puede ser modificado para usar componentes más modernos. La tensión depende de la lámpara que es del tipo de bajo consumo. En una versión moderna se puede utilizar un LED.




