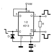
En la figura mostramos cómo es posible utilizar el circuito integrado 4013 en la configuración monoestable. El tiempo en que las salidas permanecen activadas depende de los valores de R y C (constante de tiempo). El diodo puede ser de cualquier tipo de uso general y la alimentación puede ser hecha con tensiones entre 3 y 15 voltios. Observe que el 4013 posee dos flip-flops iguales y que en esta aplicación sólo uno de ellos es usado.




