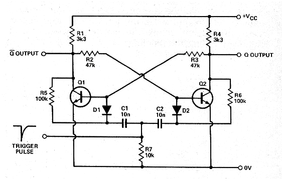
Este circuito fue encontrado en una publicación de 1984. El autor lo llama biestable pero también podemos llamarlo flip-flop, consistente en la configuración tradicional para este tipo de circuito. Se trata de un circuito que cambia de estado según los pulsos aplicados a la entrada .. Q1 y Q2 pueden ser del tipo BC558. El circuito funcionará con tensiones de 5 V a 12 V normalmente. El reloj es positivo en este circuito. El disparo se produce con pulsos negativos. El circuito sirve como shield si alimentado por 5 V.




