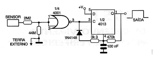
Tenemos en la figura como monoestable una llave de proximidad en la cual la capacitancia de nuestro cuerpo (estimada en 200 pF) puede ser usada para dar paso a una señal que logra disparar el circuito integrado 4013. El 4001 (o 4011) se conecta como inversor y se utiliza como un disparador para proporcionar una señal rectangular de 60 Hz a 4013. La señal rectangular procede del ruido de la red de energía captado por nuestro cuerpo y transferido al sensor cuando nos acercamos a él. Un control de sensibilidad para este circuito puede ser elaborado con la colocación de un potenciómetro conectado al sensor como divisor de tensión. La resistencia de 44 M ohms se puede obtener con la conexión de dos resistores de 22 M ohms en serie o cuatro de 10 M ohms.




