Encontramos este circuito en una documentación de 1982. Los juegos electrónicos permiten diversos tipos de variaciones, donde la imaginación de cada uno puede ser puesta en acción. Tenemos aquí un tiro al blanco electrónico de objetivo móvil, que puede ser estudiado, perfeccionado y montado por los lectores interesados en este tipo de juguete. La particularidad principal de este circuito es que es secuencial, es decir, se disparan circuitos en secuencia para cada "disparo" acertado, lo que permite una excelente dinámica para el juguete.
COMO FUNCIONA:
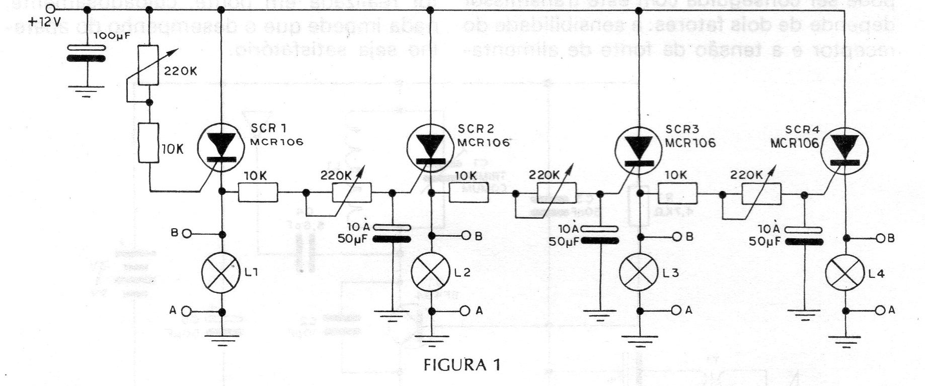
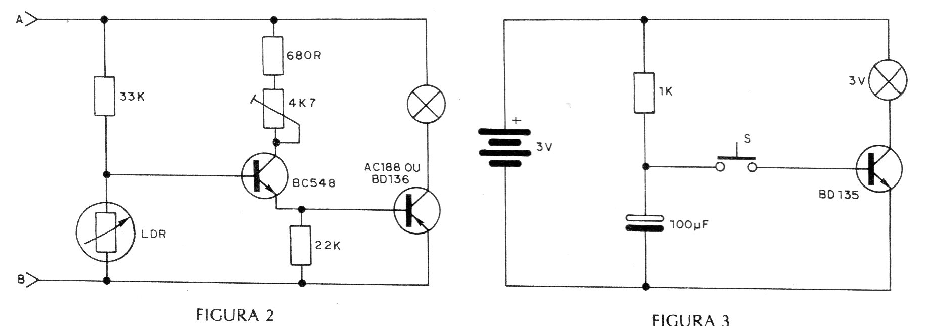
Tenemos básicamente un circuito secuencial, que acciona, uno a la vez, los circuitos disparadores dados en la figura 2 y 3.
El momento en que cada disparador es accionado es fijado por el encendido de las lámparas conectadas a los cátodos de los SCR, y los intervalos entre cada encendido por los condensadores colocados en las compuertas de cada SCR. Sólo después de cada desencadenador se acciona es que el LDR puede ser activado por el foco de luz del arma, que se muestra en la figura 3. Esta arma emite un pulso de luz, que debe enfocarse en el LDR para que el disparador encienda su lámpara Este el circuito del arma debe, por lo tanto, tener su lámpara montada en un tubo opaco con una pequeña lente. Los LDR, por su parte, deberán





