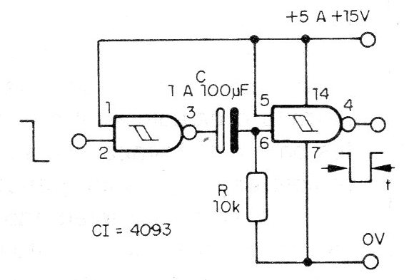
Este circuito sirve de base para aplicaciones como timers y alarmas, siendo su base dos de las cuatro puertas disparadoras Schmitt contenidas en un integrado CMOS 4093. Con la transición del nivel alto al nivel bajo de la señal de entrada (que debe ser mantenido), el monoestable se dispara, y su salida del nivel alto al nivel bajo, y manteniéndose en ese último nivel, por tiempo que depende de R y C (aproximadamente t = 1,1 x R x C). Después del intervalo determinado por los componentes, el nivel de salida vuelve a la tapa. El valor máximo de C es alrededor de 470 uF mientras que R puede asumir valores tan altos como 2 M ohms.




